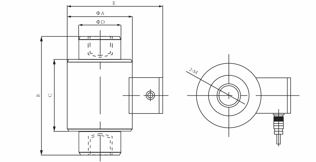
Profile:Cartridge tension sensor is used to internal thread load-bearing connection, which is suitable for anti-eccentric load and anti-side ability. It has strong overall stability and is suitable for the measurement of various tensile and compressive forces. It is widely used in electronic force measurement systems.
Technical Parameter
|
Sensitivity |
1.0±0.05mV/V |
|
Nonlinear |
±0.3≤%F.S |
|
Hsteresis |
±0.3≤%F.S |
|
repeatability |
0.15≤%F.S |
|
Creep |
±0.3≤%F.S/30min |
|
Zero output |
±1≤%F.S |
|
Zero temperature coefficient |
+0.1≤%F.S/10℃ |
|
Sensitivity temperature coefficient |
+0.1≤%F.S/10℃ |
|
Operating temperature range |
-20℃~ +80℃ |
|
Input resistance |
750±20Ω |
|
Output resistance |
700±5Ω |
|
Safe overload |
150≤%RO |
|
Insulation resistance |
≥5000MΩ(50VDC) |
|
Reference excitation voltage |
5V-12V |
|
Method of connecting wire |
Red-INPUT(+) Black- INPUT(- ) Green-OUTPUT(+)White-OUTPUT( – ) |









